Can ship immediately
Due to market price fluctuations,if you need to purchase or consult the price.You can contact us or emial to us: brenda@hongda-ic.com
1. Features
1. Zener Voltage Range − 3.3 V to 200 V
2. ESD Rating of Class 3 (> 16 kV) per Human Body Model
3. Flat Handling Surface for Accurate Placement
4. Package Design for Top Side or Bottom Circuit Board Mounting
5. AEC−Q101 Qualified and PPAP Capable − SZ1SMB59xxT3G
6. SZ Prefix for Automotive and Other Applications Requiring Unique Site and Control Change Requirements
7. These are Pb−Free Devices*
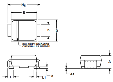
2. Mechanical Characteristics:
1. CASE: Void-free, transfer-molded plastic
2. FINISH: All external surfaces are corrosion resistant and leads are readily solderable
3. MAXIMUM LEAD TEMPERATURE FOR SOLDERING PURPOSES: 260°C for 10 Seconds
4. LEADS: Modified L−Bend providing more contact area to bond pads
5. POLARITY: Cathode indicated by polarity band
6. FLAMMABILITY RATING: UL 94 V−0
3. ELECTRICAL CHARACTERISTICS

4. Package overview
