Can ship immediately
Due to market price fluctuations,if you need to purchase or consult the price.You can contact us or emial to us: brenda@hongda-ic.com
1. Description
The HCPL4502, HCPL2503, 6N135, 6N136S, HCPL2530 and HCPL2531 optocouplers consist of an AlGaAs LED optically coupled to a high speed photodetector transistor. A separate connection for the bias of the photodiode improves the speed by several orders of magnitude over conventional phototransistor optocouplers by reducing the base-collector capacitance of the input transistor. An internal noise shield provides superior common mode rejection of 10kV/µs. An improved package allows superior insulation permitting a 480V working voltage compared to industry standard of 220V.
2. Features
1. High speed –1 MBit/s
2. Superior CMR – 10kV/µs
3. Dual-Channel HCPL2530/HCPL2531
4. Double working voltage – 480V RMS
5. CTR guaranteed 0–70°C
6. U.L. recognized
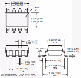
3. Package Dimensions

4. Applications
1. Line receivers
2. Pulse transformer replacement
3. Output interface to CMOS-LSTTL-TTL
4. Wide bandwidth analog coupling