Can ship immediately
Due to market price fluctuations,if you need to purchase or consult the price.You can contact us or emial to us: brenda@hongda-ic.com
1. FEATURES
1. High Q type inductor for high-frequency circuits.
2. Inductance range: from 0.6 to 120nH.
3. 0.1n step inductance lineup.
4. Compared with existing products, the size was greatly reduced, making it optimal for fine-pitch circuits.
5. Optimal configuration that greatly improves the Q to 800MHz or higher.
6. Advanced monolithic structure is formed using a multilayering and sintering process with ceramic and conductive materials for high-frequency.
7. Operating temperature range: –55 to +125°C
2. Application field
1. Smartphones, tablet terminals, high-frequency modules (PA, VCO, FEM, etc.), Bluetooth, W-LAN, UWB, tuners and other high-frequency circuits used in the mobile communication industry
2. Application Guide: Smartphone/Tablet
3. CHARACTERISTICS SPECIFICATION TABLE

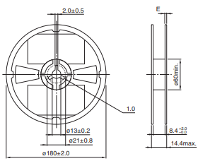
4. SHAPE & DIMENSIONS

5. PACKAGING STYLE
1. REEL DIMENSIONS

2. TAPE DIMENSIONS
