Can ship immediately
1. General description
The 74HC541 is an octal non-inverting buffer/line driver with 3-state outputs.
The device features two output enables (OE1 and OE2). A HIGH on OEn causes the outputs to assume a high-impedance OFF-state. Inputs include clamp diodes that enable the use of current limiting resistors to interface inputs to voltages in excess of VCC.
2. Features and benefits
1. Non-Inverting outputs
2. Complies with JEDEC standard no. 7A
3. Input levels:
For 74HC541: CMOS level
4. ESD protection:
HBM JESD22-A114F exceeds 2000 V
5. Multiple package options
6. Specified from -40 ℃ to +85 ℃ and from -40 ℃ to +125 ℃
3. Pin configuration

4. Pin description

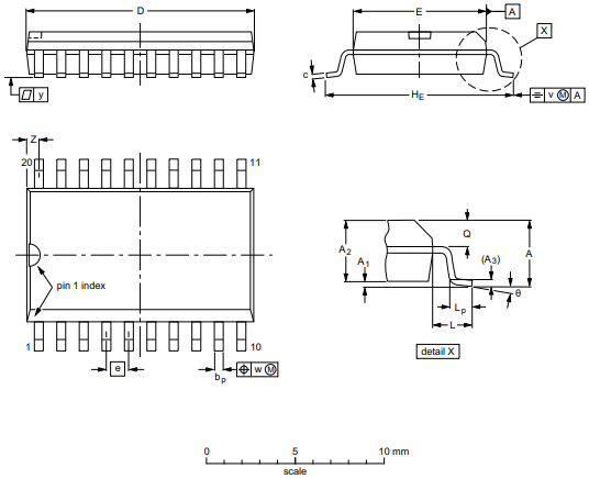
5. Package outline
