Can ship immediately
Due to market price fluctuations,if you need to purchase or consult the price.You can contact us or emial to us: brenda@hongda-ic.com
1. DESCRIPTION
The AD5306BRUZ are quad 8-/10-/12-bit buffered voltage output DACs in 16-lead TSSOP packages that operate from a single 2.5 V to 5.5 V supply, consuming 500 μA at 3 V. Their on-chip output amplifiers allow rail-to-rail output swing with a slew rate of 0.7 V/μs. A 2-wire serial interface, which operates at clock rates up to 400 kHz, is used. This interface is SMBus-compatible at VDD < 3.6 V. Multiple devices can be placed on the same bus. Each DAC has a separate reference input that can be configured as buffered or unbuffered. The outputs of all DACs can be updated simultaneously using the asynchronous LDAC input. The parts incorporate a power-on reset circuit that ensures the DAC outputs power up to 0 V and remain there until a valid write to the device takes place. The software clear function clears all DACs to 0 V. The parts contain a power-down feature that reduces the current consumption of the device to 300 nA @ 5 V (90 nA @ 3 V). All three parts have the same pinout, which allows users to select the amount of resolution appropriate for their application without redesigning their circuit board.
2. FEATURES
1. AD5306: 4 buffered, 8-bit DACs in 16-lead TSSOP
2. A version: ±1 LSB INL; B version: ±0.625 LSB INL
3. Low power operation: 400 μA @ 3 V, 500 μA @ 5 V
4. 2-wire (I2C®-compatible) serial interface
5. 2.5 V to 5.5 V power supply
6. Guaranteed monotonic by design over all codes
7. Power-down to 90 nA @ 3 V, 300 nA @ 5 V (PD pin or bit)
8. Double-buffered input logic
9. Buffered/unbuffered reference input options
10. Output range: 0 V to VREF or 0 V to 2 VREF
11. Power-on reset to 0 V
12. Simultaneous update of outputs (LDAC pin)
13. Software clear facility
14. Data readback facility
15. On-chip rail-to-rail output buffer amplifiers
16. Temperature range −40°C to +105°C
3. PIN CONFIGURATION AND FUNCTION DESCRIPTIONS

4. APPLICATIONS
1. Portable battery-powered instruments
2. Digital gain and offset adjustment
3. Programmable voltage and current sources
4. Programmable attenuators
5. Industrial process control
5. FUNCTIONAL BLOCK DIAGRAM

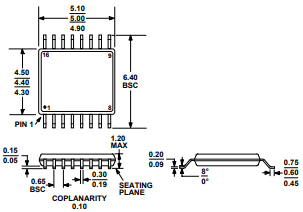
6. OUTLINE DIMENSIONS
