Can ship immediately
Due to market price fluctuations,if you need to purchase or consult the price.You can contact us or emial to us: brenda@hongda-ic.com
1. DESCRIPTION
Designed for space-critical applications, the ADR5044BRTZ-R2 are high precision shunt voltage references, housed in ultrasmall SC70 and SOT-23 packages. These voltage references are multipurpose, easy-to-use references that can be used in a vast array of applications. They feature low temperature drift, an initial accuracy of better than 0.1%, and fast settling time. Available in output voltages of 2.048 V, 2.5 V, 3.0 V, 4.096 V, and 5.0 V, the advanced design of the ADR5040/ADR5041/ADR5043/ ADR5044/ADR5045 eliminates the need for compensation by an external capacitor, yet the references are stable with any capacitive load. The minimum operating current increases from 50 µA to a maximum of 15 mA. This low operating current and ease of use make these references ideally suited for handheld, battery-powered applications. This family of references has been characterized over the extended temperature range of −40°C to +125°C. The ADR5040W, ADR5041W, ADR5044W, and ADR5045W are qualified for automotive applications and are available in a 3-lead SOT-23 package.
2. FEATURES
1. Ultracompact SC70 and SOT-23 packages
2. Low temperature coefficient: 75 ppm/°C (maximum)
3. Pin compatible with LM4040/LM4050
4. Initial accuracy: ±0.1%
5. No external capacitor required
6. Wide operating current range: 50 µA to 15 mA
7. Extended temperature range: −40°C to +125°C
8. Qualified for automotive applications
3. APPLICATIONS
1. Portable, battery-powered equipment
2. Automotives
3. Power supplies
4. Data acquisition systems
5. Instrumentation and process control
6. Energy management
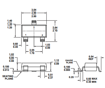
4. OUTLINE DIMENSIONS
