Can ship immediately
Due to market price fluctuations,if you need to purchase or consult the price.You can contact us or emial to us: brenda@hongda-ic.com
1. Description
Planar Schottky barrier diodes with an integrated guard ring for stress protection,encapsulated in a small SOT23 (TO-236AB) Surface Mounted Device (SMD) plastic package.
2. Features
1. Low forward voltage
2. Low capacitance
3. AEC-Q101 qualified
3. Applications
1. Ultra high-speed switching
2. Voltage clamping
3. Line termination
4. Reverse polarity protection
4. Pinning information

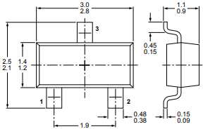
5. Package outline
