Can ship immediately
Due to market price fluctuations,if you need to purchase or consult the price.You can contact us or emial to us: brenda@hongda-ic.com
1. Describe
PNP general purpose transistors in small SOT23 (TO-236AB) surface mount device (SMD) plastic package
2. Features
1. Low current (maximum 100 mA)
2. Low voltage (maximum 65 V)
3. AEC-Q101 qualified
3. Application
1. Universal switch and amplification
4. Pinning information

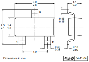
5. Package outline
