Can ship immediately
Description
1. Silicon epitaxial planar PNP transistor
2. Mini SOT-23 plastic packaging for surface mount circuits
3. Tape and Reel Packaging
4. NPN supplement model is BC847B
Application field
1. Very suitable for portable equipment
2. Small load switching transistor with high gain and low saturation voltage
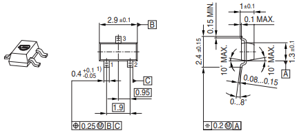
Package Outline
