Can ship immediately
PNP silicon These transistors are designed for general purpose amplifiers application. They are located in SOT-416/SC-75 Designed for low-power surface mount applications.
Feature
• NSV prefix is suitable for automotive and other applications The only site and control change requirements; AEC-Q101 Possess PPAP qualification
• This is lead-free equipment

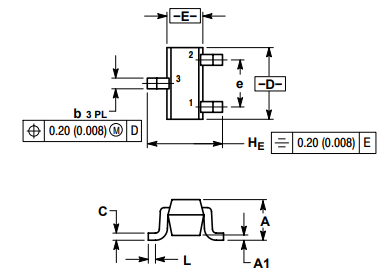
PACKAGE DIMENSIONS

The safe operating area curve indicates the IC-VCE limit Must pay attention to the reliability of the transistor operating. The collector load line of the specific circuit must drop Below the limit indicated by the applicable curve.
The data in Figure 2 is based on TJ(pk) = 150°C; TC or TA varies according to conditions. The pulse curve is Under the condition of TJ(pk)≤150°C, it is valid when the duty cycle reaches 10%. TJ (pk) It can be calculated based on the data in Figure 1.
Or at ambient temperature, the thermal limit will decrease The power that can be handled is less than Restrictions caused by secondary failures.

Figure 1. Thermal Response

Figure 2. Active Region Safe Operating Area