Can ship immediately
Due to market price fluctuations,if you need to purchase or consult the price.You can contact us or emial to us: brenda@hongda-ic.com
1. DESCRIPTION
Dual push-pull silicon N-channel enhancement mode vertical D-MOS transistor, designed for large signal amplifier applications in the VHF frequency range. The transistor is encapsulated in a 4-lead SOT262 A1 balanced flange package, with two ceramic caps. The mounting flange provides the common source connection for the transistors.
2. FEATURES
1. High power gain
2. Easy power control
3. Good thermal stability
4. Gold metallization ensures excellent reliability.
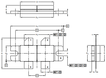
3. PIN CONFIGURATION

4. PACKAGE OUTLINE
