Can ship immediately
Due to market price fluctuations,if you need to purchase or consult the price.You can contact us or emial to us: brenda@hongda-ic.com
1. Description
The bqSWITCHER™ series are highly integrated Li-ion and Li-polymer switch-mode charge management devices targeted at a wide range of portable applications. The bqSWITCHER™ series offers integrated synchronous PWM controller and power FETs,high-accuracy current and voltage regulation,charge preconditioning, charge status, and charge termination, in a small, thermally enhanced VQFN package. The system-controlled version provides additional inputs for full charge management under system control.
The bqSWITCHER™ charges the battery in three phases: conditioning, constant current, and constant voltage. Charge is terminated based on user-selectable minimum current level. A programmable charge timer provides a safety backup for charge termination. The bqSWITCHER™ automatically restarts the charge cycle if the battery voltage falls below an internal threshold. The bqSWITCHER™ automatically enters sleep mode when VCC supply is removed.
2. Features
1. Ideal For Highly Efficient Charger Designs For Single-, Two-, or Three-Cell Li-Ion and Li-Polymer Battery Packs
2. bq24105 Also for LiFePO4 Battery (see Using bq24105 to Charge the LiFePO4 Battery)
3. Integrated Synchronous Fixed-Frequency PWM Controller Operating at 1.1 MHz With 0% to 100% Duty Cycle
4. Integrated Power FETs for Up To 2-A Charge Rate
5. High-Accuracy Voltage and Current Regulation
6. Available in Both Stand-Alone (Built-In Charge Management and Control) and System-Controlled (Under System Command) Versions
7. Status Outputs for LED or Host Processor Interface Indicates Charge-In-Progress, Charge Completion, Fault, and AC-Adapter Present Conditions
8. 20-V Maximum Voltage Rating on IN and OUT Pins
9. High-Side Battery Current Sensing
10. Battery Temperature Monitoring
11. Automatic Sleep Mode for Low Power Consumption
12. System-Controlled Version Can Be Used in NiMH and NiCd Applications
13. Reverse Leakage Protection Prevents Battery Drainage
14. Thermal Shutdown and Protection
15. Built-In Battery Detection
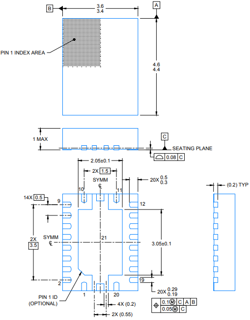
16. Available in 20-Pin, 3.50 mm × 4.50 mm VQFN Package
3. Applications
1. Handheld Products
2. Portable Media Players
3. Industrial and Medical Equipment
4. Portable Equipment
4. Pin Configuration

5. Pin Functions

6. Package overview
