Can ship immediately
Due to market price fluctuations,if you need to purchase or consult the price.You can contact us or emial to us: brenda@hongda-ic.com
1. Describe
The planar passivation in the TO220 plastic package is very sensitive to gate four-quadrant triacs designed for general bidirectional switching and phase control applications, where high sensitivity is required for all four quadrants. This very sensitive gate "D Series" triac is designed to connect directly to microcontrollers, logic integrated circuits and other low-power gate trigger circuits.
2. Feature
1. Direct triggering from low-power drivers and logic ICs
2. High blocking voltage capability
3. Low holding current for low current load and lowest commutation electromagnetic interference
4. Plane passivation to ensure voltage robustness and reliability
5. Trigger in all four quadrants
6. Very sensitive door
3. Application
1. General Motor Control
2. Universal switch
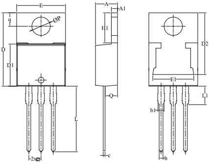
4. Pin configuration

5. Package overview
