Can ship immediately
Due to market price fluctuations,if you need to purchase or consult the price.You can contact us or emial to us: brenda@hongda-ic.com
1. Description
Logic level N-channel enhancement mode Field-Effect Transistor (FET) in a plastic package using TrenchMOS technology. This product has been designed and qualified to the appropriate AEC standard for use in automotive critical applications.
2. Features
1. Low conduction losses due to low on-state resistance
2. Q101 compliant
3. Suitable for logic level gate drive sources
3. Applications
1. 12 V and 24 V loads
2. Automotive and general purpose power switching
3. Motors, lamps and solenoids
4. Pinning information

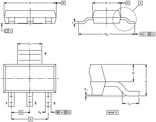
5. Package outline
