Can ship immediately
Due to market price fluctuations,if you need to purchase or consult the price.You can contact us or emial to us: brenda@hongda-ic.com
1. Features
1. Planar Die Construction
2. Small Surface Mount Package
3. Ideally Suited for Automated Assembly Processes
4. Totally Lead-Free & Fully RoHS Compliant
5. Halogen and Antimony Free. “Green” Device
6. Qualified to AEC-Q101 Standards for High Reliability
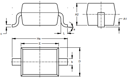
2. Mechanical Data
1. Case Material: Molded Plastic.
- UL Flammability Classification Rating 94V-0
2. Moisture Sensitivity: Level 1 per J-STD-020
3. Terminals: Matte Tin Finish Annealed over Alloy 42 Leadframe (Lead Free Plating).
- Solderable per MIL-STD-202, Method 208
4. Polarity: Cathode Band
5. Weight: 0.0049 grams (Approximate)
3. Package Dimensions

4. Electrical Characteristics
