Can ship immediately
1. Description
Low-power voltage regulator diodes in a small SOD323 (SC-76) Surface-Mounted Device (SMD) plastic package.
The diodes are available in the normalized E24 ±2 % (BZX384-B) and approximately ±5 % (BZX384-C) tolerance range. The series includes 37 breakdown voltages with nominal working voltages from 2.4 V to 75 V.
2. Features and benefits
1. Total power dissipation: ±300 mW
2. Two tolerance series: ±2 % and approximately ±5 %
3. AEC-Q101 qualified
4. Working voltage range: nominal 2.4 V to 75 V (E24 range)
5. Non-repetitive peak reverse power dissipation: ±40 W
3. Applications
General regulation functions
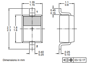
4. Package outline
