Can ship immediately
Due to market price fluctuations,if you need to purchase or consult the price.You can contact us or emial to us: brenda@hongda-ic.com
1. Description
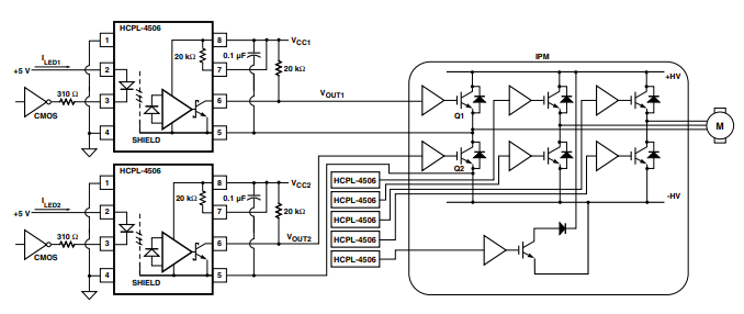
The LED is optically coupled to an integrated high gain photo detector. Minimized propagation delay difference between devices makes these optocouplers excellent solutions for improving inverter efficiency through reduced
switching dead time. An on chip 20 kΩ output pull-up resistor can be enabled by shorting output pins 6 and 7, thus eliminating the need for an external pull-up resistor in common IPM applications. Specifications and performance plots are given for typical IPM applications.
2. Features
1. Performance specified for bommon IPM applications over industrial temperature range: -40°C to 100°C
2. Fast maximum propagation delays
- tPHL = 480ns
- tPLH = 550ns
3. Minimized Pulse Width Distortion
- PWD = 450 ns
4. 15 kV/µs minimum common mode transient immunity at VCM = 1500 V
5. CTR > 44% at IF = 10mA
6. Safety approval:
UL Recognized
-3750 V rms / 1 min. for HCPL-4506/0466/J456
-5000 V rms / 1 min. for HCPL-4506 Option 020 and HCNW4506 CSA Approved
IEC/EN/DIN EN 60747-5-2 Approved
-VIORM = 560 Vpeak for HCPL-0466 Option 060
-VIORM = 630 Vpeak for HCPL-4506 Option 060
-VIORM = 891 Vpeak for HCPL-J456
-VIORM = 1414 Vpeak for HCNW4506
3. Applications
1. IPM isolation
2. Isolated IGBT/MOSFET gate drive
3. AC and brushless DC motor drives
4. Industrial inverters
4. Package Outline Drawings

5. Typical application circuit.
