Can ship immediately
Due to market price fluctuations,if you need to purchase or consult the price.You can contact us or emial to us: brenda@hongda-ic.com
1. Description
The Broadcom® 6N137,HCPL-0630-000E, HCNW137/26x1 are optically coupled gates that combine a GaAsP light emitting diode and an integrated high gain photo detector. An enable input allows the detector to be strobed. The output of the detector IC is an open collector Schottky-clamped transistor. The internal shield provides a guaranteed common mode transient immunity specification up to 15,000 V/µs at Vcm = 1000V. This unique design provides maximum AC and DC circuit isolation while achieving TTL compatibility. The optocoupler AC and DC operational parameters are guaranteed from – 40°C to +85°C allowing trouble-free system performance.
2. Features
1. 15 kV/µs minimum Common Mode Rejection (CMR) at VCM= 1 kV for HCNW2611, HCPL-2611, HCPL-4661,HCPL-0611, HCPL-0661
2. High speed: 10 MBd typical
3. LSTTL/TTL compatible
4. Low input current capability: 5 mA
5. Guaranteed AC and DC performance over industrial temperature: –40°C to +85°C
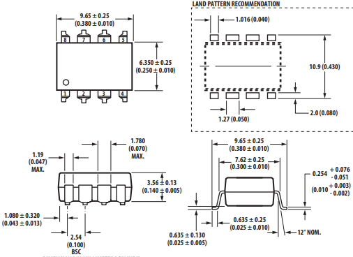
6. Available in 8-Pin DIP, SOIC-8, widebody packages
7. Strobable output (single channel products only)
8. Safety approval
– UL recognized – 3750 Vrms for 1 minute and 5000 Vrms for 1 minute per UL1577 CSA approved
– IEC/EN/DIN EN 60747-5-5 approved with:
1. VIORM = 567 Vpeak for 06xx Option 060
2. VIORM = 630 Vpeak for 6N137/26xx Option 060
3. VIORM =1414 Vpeak for HCNW137/26x1
4. MIL-PRF-38534 hermetic version available
3. Applications
1. Isolated line recei3. ver
2. Computer-peripheral interfaces
3. Microprocessor system interfaces
4. Digital isolation for A/D, D/A conversion
5. Switching power supply
6. Instrument input/output isolation
7. Ground loop elimination
8. Pulse transformer replacement
9. Power transistor isolation in motor drives
10. Isolation of high speed logic systems
4. product description
