Can ship immediately
Due to market price fluctuations,if you need to purchase or consult the price.You can contact us or emial to us: brenda@hongda-ic.com
1. Description
The INA129P are low-power, general purpose instrumentation amplifiers offering excellent accuracy. The versatile 3-op amp design and small size make these amplifiers ideal for a wide range of applications. Current-feedback input circuitry provides wide bandwidth even at high gain (200 kHz at G = 100). A single external resistor sets any gain from 1 to 10,000. The INA128 provides an industry standard gain equation; the INA129 gain equation is compatible with the AD620. The INA12x is available in 8-pin plastic DIP and SO-8 surface-mount packages, specified for the –40°C to +85°C temperature range. The INA128 is also available in a dual configuration, the INA2128. The upgraded INA828 offers a lower input bias current (0.6 nA maximum) and lower noise (7 nV/√Hz) at the same quiescent current. See the Device Comparison Table for a selection of precision instrumentation amplifiers from Texas Instruments.
2. Features
1. A newer version of this device is now available: INA828
2. Low offset voltage: 50 μV maximum
3. Low drift: 0.5 μV/°C maximum
4. Low Input Bias Current: 5 nA maximum
5. High CMR: 120 dB minimum
6. Inputs protected to ±40 V
7. Wide supply range: ±2.25 V to ±18 V
8. Low quiescent current: 700 μA
9. Packages: 8-pin plastic DIP, SO-8
3. Applications
1. Bridge amplifier
2. Thermocouple amplifier
3. RTD sensor amplifier
4. Medical instrumentation
5. Data acquisition
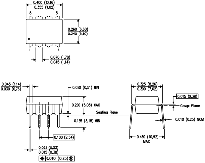
4. Pin Configuration

5. Pin Functions

6. Package overview
