Can ship immediately
Due to market price fluctuations,if you need to purchase or consult the price.You can contact us or emial to us: brenda@hongda-ic.com
1. Description
New trench HEXFET® power MOSFET from International The rectifier utilizes advanced processing technology Achieve extremely low on-resistance per silicon area. This advantage is combined with the robust equipment design The well-known HEXFET power MOSFET, Provide designers with extremely efficient and Reliable equipment for battery and load management application.
2. Feature
1. Groove technology
2. Ultra-low on-resistance
3. Dual P-channel MOSFET
4. Thin type (<1.1mm)
5. Provide tape and reel form
6. 2.5V rated
7. Lead-free
3. Electrical Characteristics

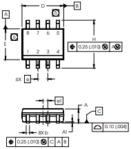
4. Package Outline

