Can ship immediately
Due to market price fluctuations,if you need to purchase or consult the price.You can contact us or emial to us: brenda@hongda-ic.com
1. Description
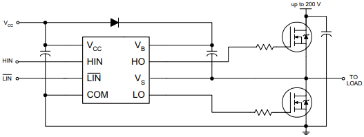
The IRS2003STRPBF is a high voltage, high speed power MOSFET and IGBT drivers with dependent high- and low-side referenced output channels. Proprietary HVIC and latch immune CMOS technologies enable ruggedized monolithic construction. The logic input is compatible with standard CMOS or LSTTL output, down to 3.3 V logic. The output drivers feature a high pulse current buffer stage designed for minimum driver crossconduction. The floating channel can be used to drive an N-channel power MOSFET or IGBT in the high-side configuration which operates up to 200 V.
2. Features
1. Floating channel designed for bootstrap operation
2. Fully operational to +200 V
3. Tolerant to negative transient voltage, dV/dt immune
4. Gate drive supply range from 10 V to 20 V
5. Undervoltage lockout
6. 3.3 V, 5 V, and 15 V logic compatible
7. Cross-conduction prevention logic
8. Matched propagation delay for both channels
9. Internal set deadtime
10. High-side output in phase with HIN input
11. Low-side output out of phase with input
3. Typical Connection

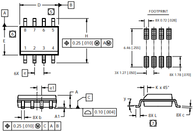
4. Packaging Information
