Can ship immediately
Due to market price fluctuations,if you need to purchase or consult the price.You can contact us or emial to us: brenda@hongda-ic.com
1. Description
Renesas ISL3172EIUZ is ±15kV IEC61000 ESD Protected 3.3V power supply single transceiver, while meeting Balanced RS-485 and RS-422 standards communication. The bus current of these devices is very low (+125µA/-100µA), so they provide a true "1/8 unit load" RS-485 bus. This allows up to 256 transceivers A network of 32 units that does not violate the RS-485 specification Maximum load, and no repeater is used. For example, in Remote utility meter reading system, personal meter The readings are transmitted to the concentrator via RS-485 Network, so the high number of nodes allowed is minimized The number of repeaters required. The receiver (Rx) input has a "fully fail-safe" design, If the Rx input is floating, make sure the logic high Rx output, Short circuit, or terminated but not driven. Hot-swappable circuit ensures that Tx and Rx outputs remain unchanged It is in a high impedance state when the power supply is stable. ISL3170E to ISL3175E use slew rate limit Drivers that reduce EMI and minimize reflections Transmission line is improperly terminated or not terminated Stubs in multipoint and multipoint applications. Slew rate Limited version also includes receiver input filtering Enhance noise immunity in the presence of slow input signals. ISL3170E, ISL3171E, ISL3173E, ISL3174E, ISL3176E, And ISL3177E configured as full duplex (separate Rx Input and Tx output pins) applications. Half duplex The version multiplexes Rx input and Tx output to allow Transceiver with output disable function in 8 Ld package.
2. Features
1. IEC61000 ESD protection on RS-485 I/O pins . . . . ±15kV
- Class 3 ESD level on all other pins . . . . . . . >7kV HBM
2. Full fail-safe (open, short, terminated/floating) receivers
3. Hot plug - Tx and Rx outputs remain three-state during power-up (only versions with output enable pins)
4. True 1/8 unit load allows up to 256 devices on the bus
5. Single 3.3V supply
6. High data rates. . . . . . . . . . . . . . . . . . . . . . . up to 20Mbps
7. Low quiescent supply current. . . . . . . . . . . . .800µA (Max)
- Ultra low shutdown supply current . . . . . . . . . . . . .10nA
8. -7V to +12V common-mode input/output voltage range
9. Half and full duplex pinouts
10. Three state Rx and Tx outputs available
11. Current limiting and thermal shutdown for driver overload protection
12. Tiny MSOP packages consume 50% less board space
13. Pb-free (RoHS compliant)
3. Applications
1. Automated utility meter reading systems
2. High node count systems
3. Field bus networks
4. Security camera networks
5. Building environmental control/lighting systems
6. Industrial/process control networks
4. Pin configuration

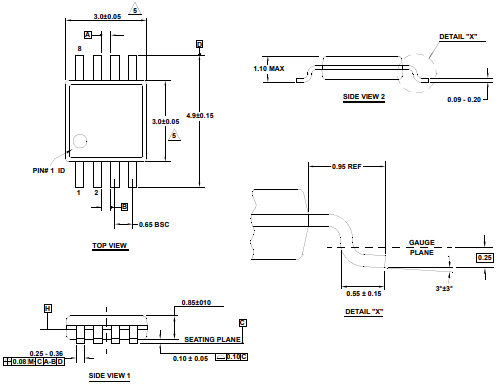
5. Package Outline Drawing
