Can ship immediately
Due to market price fluctuations,if you need to purchase or consult the price.You can contact us or emial to us: brenda@hongda-ic.com
1. description
Two-phase core controller ISL6266AIRZ is a two-phase buck converter Regulatory agencies implementing Intel® IMVP-6 protocol Embedded gate driver. Both converters use interleaved This channel doubles the output voltage ripple frequency, and Thereby reducing the output voltage ripple amplitude Components, reduce component costs, reduce power consumption The dissipation is large and the real estate area is small. ISL6266AIRZ utilizes the patented R3 Technology™, Intersil's powerful ripple regulator modulator. compared to Traditional multi-phase buck regulator R3 Technology™ Has the fastest transient response. This is due to R3 The modulator commands a variable switching frequency during operation Load transient events. Intel Mobile Voltage Positioning (IMVP) is an intelligent voltage Regulation technology can effectively reduce power consumption Power consumption in the Pentium processor. In order to extend battery life, ISL6266AIRZ supports DPRSLRVR (deep sleep), DPRSTP# and PSI# functions can maximize efficiency By enabling different operating modes. In active mode (Heavy load), the regulator command is divided into two stages Continuous conduction mode (CCM) operation. When PSI# ISL6266AIRZ is enabled in active mode (medium load) Run in single-phase CCM. When the CPU is deeper In sleep mode, ISL6266A supports diode emulation Maximize efficiency. In order to achieve better system power management, ISL6266AIRZ Provide CPU power monitor output. Analog output The power monitor pin can be fed into the A/D converter to Report instantaneous or average CPU power.7 digital-to-analog converters (DAC) allow dynamic Adjust the core output voltage from 0.300V to 1.500V. The temperature of ISL6266AIRZ is too high to reach a temperature of 0.5% The accuracy of the core output voltage.Provide unity gain differential amplifier for remote CPU Mold sensing. This will increase the voltage on the CPU chip Accurate measurement and adjustment according to Intel IMVP-6+ specification. Current sensing can be achieved in any of the following ways Lossless inductance DCR sensing or discrete resistance sensing. A single NTC thermistor network can thermally compensate for heat The time constant of gain and DCR will change. ISL6266AIRZ also includes all the functions of IMVP-6+ Pass the core strength. In addition, its goal is Use with coupled inductor solutions.
2. Features
1. Precision Two/One-phase CORE Voltage Regulator
- 0.5% System Accuracy Over-Temperature
- Enhanced Load Line Accuracy
2. Internal Gate Driver with 2A Driving Capability
3. Dynamic Phase Adding/Dropping
4. Microprocessor Voltage Identification Input
- 7-Bit VID Input
- 0.300V to 1.500V in 12.5mV Steps
- Support VID Change On-the-Fly
5. Multiple Current Sensing Schemes Supported
- Lossless Inductor DCR Current Sensing
- Precision Resistive Current Sensing
6. CPU Power Monitor
7. Thermal Monitor
8. User Programmable Switching Frequency
9. Differential Remote CPU Die Voltage Sensing
10. Static and Dynamic Current Sharing
11. Support All Ceramic Output with Coupled Inductor (ISL6266)
12. Overvoltage, Undervoltage and Overcurrent Protection
13. Pb-Free (RoHS Compliant)
3. Functional Pin Description

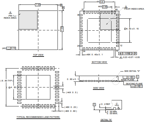
4. Package Outline Drawing
