Can ship immediately
Due to market price fluctuations,if you need to purchase or consult the price.You can contact us or emial to us: brenda@hongda-ic.com
1. Description
The LM2903PWR devices are the next generation versions of the industry-standard LM393 and LM2903 comparator family. These next generation B-version comparators feature lower offset voltage, higher supply voltage capability, lower supply current, lower input bias current, lower propagation delay, and improved 2 kV ESD performance and input ruggedness through dedicated ESD clamps. The LM393B and LM2903B can drop-in replace the LM293, LM393 and LM2903, for both "A" and "V" grades. All devices consist of two independent voltage comparators that are designed to operate from a single power supply over a wide range of voltages. Quiescent current is independent of the supply voltage.
2. Features
1. NEW LM393B and LM2903B
2. Improved specifications of B-version
– Maximum rating: up to 38 V
– ESD rating (HBM): 2k V
– Low input offset: 0.37 mV
– Low input bias current: 3.5 nA
– Low supply-current: 200 µA per comparator
– Faster response time of 1 µsec
– Extended temperature range for LM393B
– Available in tiny 2 x 2mm WSON package
3. B-version is drop-in replacement for LM293, LM393 and LM2903, A and V versions
4. Common-mode input voltage range includes ground
5. Differential input voltage range equal to maximumrated supply voltage: ±38 V
6. Low output saturation voltage
7. Output compatible with TTL, MOS, and CMOS
3. Applications
1. Vacuum robot
2. Single phase UPS
3. Server PSU
4. Cordless power tool
5. Wireless infrastructure
6. Applicances
7. Building automation
8. Factory automation & control
9. Motor drives
10. Infotainment & cluster
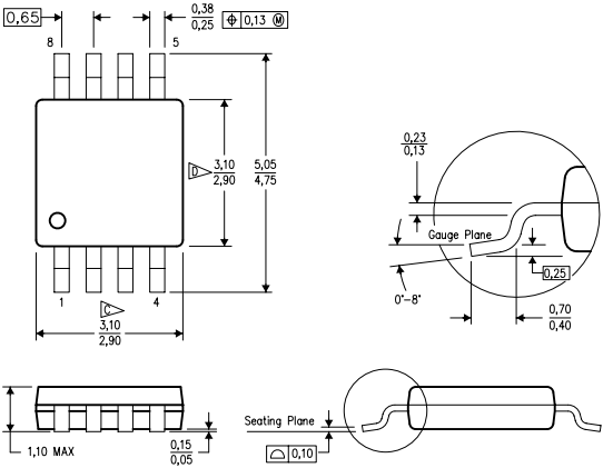
4. Pin Configuration

5. Pin Functions

6. Packaging Information
