Can ship immediately
Due to market price fluctuations,if you need to purchase or consult the price.You can contact us or emial to us: brenda@hongda-ic.com
1. Description
The LinkSwitch™-TN2 family of ICs for non-isolated off-line power supplies provide dramatically improved performance compared to traditional linear or cap-dropper solutions. Designs using the highly integrated LinkSwitch TN2 ICs are more flexible and feature increased efficiency, comprehensive system level protection and higher reliability. The device family supports buck, buck-boost and flyback converter topologies. Each device incorporates a 725 V power MOSFET, oscillator, On/Off control for highest efficiency at light load, a high-voltage switched current source for self-biasing, frequency jittering, fast (cycle-by-cycle) current limit, hysteretic thermal shutdown, and output and input overvoltage protection circuitry onto a monolithic IC. LinkSwitch-TN2 ICs consume very little current in standby resulting in power supply designs that meet all no-load and standby specifications worldwide. MOSFET current limit modes can be selected through the BYPASS pin capacitor value. The high current limit level provides maximum continuous output current while the low level permits using very low cost and small surface mount inductors. A full suite of protection features enable safe and reliable power supplies protecting the device and the system against input and output overvoltage faults, device over-temperature faults, lost regulation, and power supply output overload or short-circuit faults. The device family is available in three different packages: PDIP-8C, SO-8C, and SMD-8C.
2. Highest Performance and Design Flexibility
1. Supports buck, buck-boost and flyback topologies
2. Low component-count buck converter
3. Excellent load and line regulation
4. Selectable device current limit
- High current limit extends peak power and maximizes continuous output power
- Low current limit allows the use of lowest-cost surface mount buck chokes
5. 66 kHz operation with accurate current limit
- Allows the use of low-cost off-the-shelf inductors
- Reduces size and cost of magnetics and output capacitor
6. Frequency jittering reduces EMI filter complexity
7. Pin-out simplifies PCB heat sinking
3. Enhanced Safety and Reliability Features
1. Auto-restart for short-circuit and open loop faults
- Limits power delivery to 3% of maximum during a fault
2. Output overvoltage protection (OVP)
3. Line input overvoltage protection (OVL)
4. Hysteretic over-temperature protection (OTP)
5. Extended creepage between DRAIN pin and all other pins improves field reliability
6. 725 V MOSFET rating for excellent surge withstand
7. Extremely low component count enhances reliability
- Allows single-sided PCB and full SMD manufacturability
4. EcoSmart™– Extremely Energy Efficient
1. Standby supply current <100 μA
2. On/Off control provides constant efficiency over a wide load range
3. Easily meets all global energy efficiency regulations
4. No-load <30 mW in high-side buck converters with external bias
5. No-load <10 mW in flyback converters with external bias
5. Applications
1. Appliances
2. Metering
3. Smart LED drivers and industrial controls
4. IOT, home and building automation
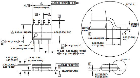
6. Pin configuration

7. Pin Functional Description
1. DRAIN (D) Pin:
Power MOSFET drain connection. Provides internal operating current for both start-up and steady-state operation.
2. BYPASS (BP/M) Pin(This pin has multiple functions):
- It is the connection point for an external bypass capacitor for the internally generated 5.0 V supply.
- It is a mode selector for the current limit value, depending on the value of the capacitance added. Use of a 0.1 μF capacitor results in the standard current limit value. Use of a 1 μF capacitor results in the current limit being reduced, allowing design with lowest cost surface mount buck chokes.
- It provides a shutdown function. When the current into the BYPASS pin exceeds IBPSD for a time equal to 2 to 3 cycles of the internal oscilator (fOSC), the device enters auto-restart. This can be used to provide an output overvoltage protection function with external circuitry.
3. FEEDBACK (FB) Pin:
During normal operation, switching of the power MOSFET is controlled by the FEEDBACK pin. MOSFET switching is terminated when a current greater than IFB (49 µA) is delivered into this pin. Line overvoltage protection is detected when a current greater than IFBSD (670 µA) is delivered into this pin for 2 consecutive switching cycles.
4. SOURCE (S) Pin:
This pin is the power MOSFET source connection. It is also the ground reference for the BYPASS and FEEDBACK pins.
8. Functional Description
LinkSwitch-TN2 combines a high-voltage power MOSFET switch with a power supply controller in one device. Unlike conventional PWM (pulse width modulator) controllers, LinkSwitch-TN2 uses a simple ON/OFF control to regulate the output voltage. The LinkSwitch-TN2 controller consists of an oscillator, feedback (sense and logic) circuit, 5.0 V regulator, BYPASS pin undervoltage circuit, over-temperature protection, line and output overvoltage protection, frequency jitteri Wu, Current limiting circuit, leading edge blanking, and 725 V power supply MOSFET. LinkSwitch-TN2 contains additional circuits for Automatic restart.
9. Package overview
