Can ship immediately
Due to market price fluctuations,if you need to purchase or consult the price.You can contact us or emial to us: brenda@hongda-ic.com
1. Describe
LT®6205/LT6206/LT6207 are low-cost single/double/Quad voltage feedback amplifier with 100MHz characteristics Gain bandwidth product, 450V/μs slew rate and 50mA Output current. The input range of these amplifiers is Includes ground and an output that swings within 60mV Any power supply rail, making them very suitable for single Supply operations. These amplifiers maintain their power performance From 2.7V to 12.6V, specified as 3V, 5V and ±5V. The input can be driven outside the power supply without The output is damaged or reversed. Isolation between The channel is very high, exceeding 90dB at 10MHz.LT6205 uses 5-pin SOT-23, while LT6206IMS8#TRPBF Available in 8-pin MSOP package with standard operation Amplifier pin. For compact layouts, the four-channel LT6207 is It is packaged in 16-pin SSOP. These devices are Specific to business, industry, and automotive temperature range.
2. FEATURES
1. 450V/μs Slew Rate
2. 100MHz Gain Bandwidth Product
3. Wide Supply Range 2.7V to 12.6V
4. Output Swings Rail-to-Rail
5. Input Common Mode Range Includes Ground
6. High Output Drive: 50mA
7. Channel Separation: 90dB at 10MHz
8. Specifi ed on 3V, 5V and ±5V Supplies
9. Input Offset Voltage: 1mV
10. Low Power Dissipation: 20mW per Amplifi er on Single 5V
11. Operating Temperature Range: –40°C to 125°C
12. Low Profi le (1mm) SOT-23 (ThinSOT™) Package
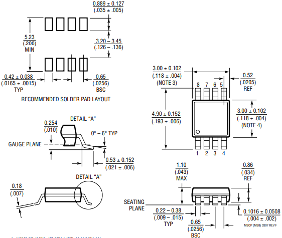
3. PIN CONFIGURATION

4. Application
1. Video line driver
2. Car display
3. RGB amplifier
4. Coaxial cable driver
5. Low-voltage high-speed signal processing
5. Package overview
