Can ship immediately
Due to market price fluctuations,if you need to purchase or consult the price.You can contact us or emial to us: brenda@hongda-ic.com
1. DESCRIPTION
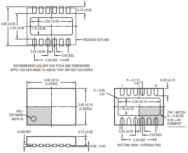
The LTC®3442 is a highly efficient, fixed frequency, buckboost DC/DC converter, which operates from input voltages above, below, and equal to the output voltage. The topology incorporated in the IC provides a continuous transferfunction through all operatingmodes, making the product ideal for a single lithium-ion or multicell alkaline applications where the output voltage is within the battery voltage range. The device includes two 0.10Ω N channel MOSFET switches and two 0.10Ω P-channel switches. Operating frequency and average input current limit can each be programmed with an external resistor. Quiescent current is only 35µA in Burst Mode operation, maximizing battery life in portable applications. Automatic Burst Mode operation allows the user to program the load current for Burst Mode operation, or to control it manually. Other features include 1µA shutdown current, programmable soft-start, peak currentlimit and thermal shutdown. The LTC3442 is available in a low profile, thermally enhanced 12-lead (4mm × 3mm × 0.75mm) DFN package.
2. FEATURES
1. Regulated Output with Input Voltages Above, Below, or Equal to the Output
2. Single Inductor, No Schottky Diodes Required
3. Manual or Programmable Automatic Burst Mode® Operation
4. Programmable Average Input Current Limit
5. Up to 1.2A Continuous Output Current from a Single Lithium-Ion Cell
6. High Efficiency: Up to 95%
7. Output Disconnect in Shutdown
8. 2.4V to 5.5V Input Range
9. 2.4V to 5.25V Output Range
10. 35µA Quiescent Current in Burst Mode Operation
11. Programmable Frequency from 300kHz to 2MHz
12. <1µA Shutdown Current
13. Small, Thermally Enhanced 12-Lead (4mm × 3mm) DFN Package
3. APPLICATIONS
1. PDA/‘SMART’ Phones
2. Handheld Computers
3. MP3 Players
4. Handheld Instruments
5. Digital Cameras
6. Wireless Handsets
7. USB Peripherals
4. Pin configuration

5. Electrical characteristics

6. package instruction
