Can ship immediately
1. DESCRIPTION
The LTC®4366 surge stopper protects loads from high voltage transients. By controlling the gate of an external N-channel MOSFET, the LTC4366ITS8-2#TRMPBF regulates the output during an overvoltage transient. The load may remain operational while the overvoltage is dropped across the MOSFET. Placing a resistor in the return line isolates the LTC4366ITS8-2#TRMPBF and allows it to float up with the supply; therefore, the upper limit on the output voltage depends only on the availability of high valued resistors and MOSFET ratings. An adjustable overvoltage timer prevents MOSFET damage during the surge while an additional 9-second timer provides for MOSFET cool down. A shutdown pin reduces the quiescent current to less than 14µA during shutdown. After a fault the LTC4366ITS8-2#TRMPBF latches off while the LTC4366ITS8-2#TRMPBF will auto-retry.
2. FEATURES
1. Rugged Floating Topology
2. Wide Operating Voltage Range: 9V to >500V
3. Adjustable Output Clamp Voltage
4. Controls N-Channel MOSFET
5. Adjustable Protection Timer
6. Internal 9-Second Cool-Down Timer
7. Shutdown IQ < 14µA
8. 8-Lead TSOT and 3mm × 2mm DFN Packages
3. APPLICATIONS
1. Industrial, Automotive and Avionic Surge Protection
2. High Voltage DC Distribution
3. 28V Vehicle Systems
4. PIN CONFIGURATION


5. TYPICAL APPLICATION

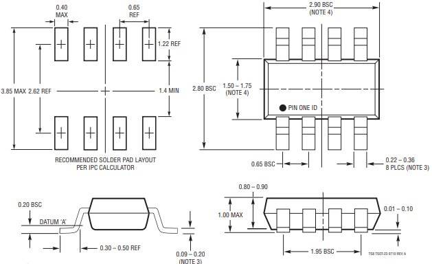
6. PACKAGE DESCRIPTION
