Can ship immediately
Due to market price fluctuations,if you need to purchase or consult the price.You can contact us or emial to us: brenda@hongda-ic.com
1. Describe
The MAX3080CPD+ high-speed transceiver for RS-485/RS-422 communication consists of a driver and a receiver. These devices have fail-safe circuitry, which guarantees a logic high receiver output when the receiver input is open or shorted. This means that if all transmitter, receiver outputs will be logic high on the terminating bus disabled (high impedance). The MAX3080/MAX3081/MAX3082 feature a reduced slew rate driver that minimizes EMI and reduces reflections caused by improperly terminated cables, allowing Error-free data transmission up to 115kbps. The MAX3083/MAX3084/MAX3085 offer higher driver output slew rate limits, allowing transfer speeds up to 500kbps. The MAX3086/MAX3087/MAX3088's driver slew rate is not limited, making transfer speeds up to 10Mbps possible. The slew rate of the MAX3089 is selectable between 115kbps, 500kbps, and 10Mbps by using a single tristate driver to drive the selector pins. These transceivers typically consume 375µA of power when currently unloaded, or fully loaded with the driver disabled. All devices have a 1/8 unit load receiver input impedance, allowing up to 256 transceivers on the bus. The MAX3082/MAX3085/MAX3088 are intended for half-duplex communication, while the MAX3080/MAX3081/MAX3083/MAX3084/MAX3086/MAX3087 are intended for full-duplex communication. The MAX3089 has selectable half-duplex and full-duplex operation. It also features independently programmable receiver and transmitter output phases via separate pins
2. Feature
1. For fault-tolerant applications: MAX3430: ±80V Fault-Protected, Fault-Protected, 1/4- Unit Load, +3.3V RS-485 Transceiver
2. For low voltage applications: MAX3362: +3.3V, high-speed, RS-485/RS-422 Transceiver in SOT23 Package
3. For multi-transceiver applications:
- MAX3030E–MAX3033E: ±15kV ESD protection, +3.3V, Quad, RS-422 Transmitter
- MAX3040–MAX3045: ±10kV ESD Protection, Quad Channel, +5V, RS-485/RS-422 Transmitter
3. Application
1. RS-422/RS-485 communication
2. level shifter
3. Transceivers for EMI Sensitive Applications
4. Industrial LAN
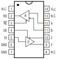
4. Pin configuration
