Can ship immediately
Due to market price fluctuations,if you need to purchase or consult the price.You can contact us or emial to us: brenda@hongda-ic.com
1. General description
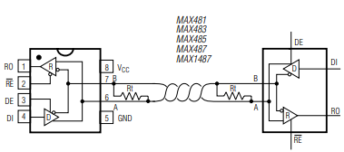
MAX485ESA is a low-power transceiver for RS-485 and RS422 communication. Each part contains a driver and a driver Receiver. MAX485ESA has a reduced slew rate driver to minimize EMI and noise Reduce reflections caused by improper cable termination, This allows error-free data transmission up to 250kbps. Does not limit the driver slew rate of MAX485ESA, so that they can The transmission rate is up to 2.5Mbps. The power consumption of these transceivers is between 120µA and 500µA Supply current when unloading or full load is disabled driver. In addition, MAX485ESA has a low-current shutdown mode, which consumes current Only 0.1µA. All components are powered by a single 5V power supply. Drive is limited by short-circuit current and protected Prevent excessive power consumption due to thermal shutdown A circuit that puts the output of the driver in a high-impedance state. The receiver input has a fail-safe function, If the input is open, the logic high output is guaranteed. MAX485ESA has a quarter unit load Receiver input impedance, allowing up to 128 MAX485ESA / MAX485ESA transceiver on the bus. Use MAX485ESA to obtain full-duplex communication
2. Applications
1. Low-Power RS-485 Transceivers
2. Low-Power RS-422 Transceivers
3. Level Translators
4. Transceivers for EMI-Sensitive Applications
5. Industrial-Control Local Area Networks
3. Pin Description

