Can ship immediately
Due to market price fluctuations,if you need to purchase or consult the price.You can contact us or emial to us: brenda@hongda-ic.com
1. Describe
MC34166T, MC33166 series are high-performance fixed Frequency power switching regulator including primary Functions required for DC-DC converters. This series is dedicated Designed to incorporate step-down and voltage inversion Configuration with minimal external components and It can also be used economically and efficiently in boost applications. These devices include an internal temperature compensation For reference, a fixed frequency oscillator with on-chip timing components, Latch pulse width modulator for single pulse metering, high gain Error amplifier and a high current output switch. Protection features include cycle-by-cycle current limit, Undervoltage lockout and thermal shutdown. Also includes a low The power supply standby mode can reduce the power supply current to 36 A.
2. Feature
1. Output switching current exceeds 3.0 A
2. Fixed frequency oscillator (72 kHz) with on-chip timing
3. Provides 5.05 V output without external resistor divider
4. Accuracy 2% reference
5. 0% to 95% output duty cycle
6. Cycle-by-cycle current limit
7. Undervoltage lockout with hysteresis
8. Internal thermal shutdown
9. Operating voltage is 7.5 V to 40 V
10. Standby mode reduces power supply current to 36 A
11. Economical 5-Lead TO-220 package with two optional lead shapes
12. Surface mount D2PAK package is also available
13. Moisture Sensitivity (MSL) is equal to 1
14. Provide lead-free packaging
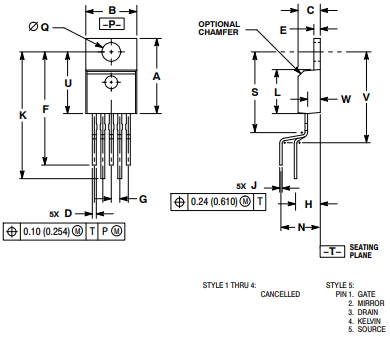
3. Product Size

4. Function Description
1. introduce
MC34166, MC33166 series are single-chip power supplies Switching regulator optimized for DC-DC Converter application. These devices operate in a fixed manner Frequency and voltage mode regulators include all active Directly realize the required functions and Has the least number of voltage inverting converters External components. They can also be used cost-effectively In boost converter applications. Potential markets include Automotive, computer, industrial and cost sensitive Consumer products.
2. Oscillator
The oscillator frequency is internally programmed as 72 kHz is provided by capacitor CT and trimming current source. This Control the charge-discharge ratio to produce 95% The maximum duty cycle of the switch output. During this period CT discharges, the oscillator generates internal blanking A pulse that keeps the inverting input of the AND gate at a high level, Disable the output switch transistor. Nominal oscillator The peak and valley thresholds are 4.1 V and 2.3 V, respectively.
3. Pulse width modulator
The pulse width modulator consists of a comparator The oscillator ramp voltage applied to the non-inverting input, And apply the error amplifier output to the inverting Enter. When CT is on, the output switch is on Discharge to the valley voltage of the oscillator. Due to CT charges Exceeds the output voltage of the error amplifier, latched Reset, terminate output transistor conduction The duration of the oscillator ramp-up period. PWM/Latch Combination can prevent multiple output pulses in a given period of time Oscillator clock period.
4. Current Detection
MC34166 series uses cycle-by-cycle current Restriction as a means of protecting output switching transistors From excessive pressure. Each in the loop is considered a separate situation. The current limit is determined by The output switching transistor current accumulates during the conduction period, and When an over-current situation is detected, turn immediately The switch is closed during the oscillator ramp-up period. Collector current is internally converted to voltage Adjust resistance and compare with reference Current detection comparator. When the current limit threshold is When reached, the comparator resets the PWM latch. Currently The limit threshold is usually set to 4.3 A.
5. Switch output
The output transistor is designed for maximum switching value 40 V, the minimum peak collector current is 3.3 A. Configured for buck or voltage reversal applications, the inductor will forward bias the output The rectifier when the switch is closed. High rectifier Forward pressure drop or long turn-on delay time should not used. If the transmitter is allowed to be negative enough, Collector current will flow, causing additional equipment to heat up And reduce the conversion efficiency. Depend on Clamp the emitter to 0.5 V and the collector current will be at 100 A temperature range. 1N5822 or Recommended equivalent Schottky barrier rectifier meets These requirements.
6. Undervoltage lockout
Undervoltage lockout comparator Integration to ensure that the integrated circuit is completely Enable the function before the output stage. Built-in The 5.05 V reference voltage is monitored by a comparatorh enables the output stage when VCC exceeds 5.9 V. To prevent erratic output switching as the threshold is crossed, 0.9 V of hysteresis is provided.