Can ship immediately
1. description
MC74LVX4051DG uses silicon gate CMOS technology Realize fast propagation delay, low on-resistance and low leakage trend. This analog multiplexer/demultiplexer controls the analog Voltage that may vary throughout the power supply range VCC to VEE).
The pin arrangement of MC74LVX4051DG is the same as that of LVX8051, HC4051A, And metal door MC14051B. Channel selection input OK Which analog input/output is connected by Connect the analog switch to the general output/input. When enabled When the pin is high, all analog switches are closed. Channel selection and enable input are compatible with standards CMOS output. The level of these inputs is overvoltage (OVT) Conversion from 6.0 V to 3.0 V The device is specially designed so that the on-resistance (RON) is greater Linear input voltage is higher than RON of metal gate CMOS simulation Switches and high-speed CMOS analog switches
2. Features
1. Fast Switching and Propagation Speeds
2. Low Crosstalk Between Switches
3. Analog Power Supply Range (VCC − VEE) = 3.0 V to 3.0 V
4. Digital (Control) Power Supply Range (VCC − GND) = 2.5 to 6.0 V
5. Improved Linearity and Lower ON Resistance Than Metal−Gate, HSL, or VHC Counterparts
6 . Low Noise
7. Designed to Operate on a Single Supply with VEE = GND, or Using Split Supplies up to ±3.0 V
8. Break−Before−Make Circuitry
9. These Devices are Pb−Free and are RoHS Compliant.
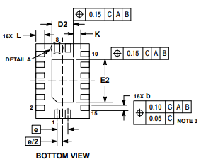
3. Pin Connection Diagrams

5. PACKAGE DIMENSIONS

