Can ship immediately
Due to market price fluctuations,if you need to purchase or consult the price.You can contact us or emial to us: brenda@hongda-ic.com
1. Describe
These regulators are designed on a monolithic integrated circuit As a fixed voltage regulator suitable for various applications Including local and card regulations. These regulators use internal Current limiting, thermal shutdown and safety zone compensation. With sufficient heat dissipation, they can provide more than 1.0 A of output current. Although primarily designed as fixed voltage regulators, these devices can be used with external components to obtain adjustable voltage and current.
2. Feature
1. The output current exceeds 1.0 A
2. No external components required
3. Internal thermal overload protection
4. Internal short-circuit current limit
5. Output transistor safe area compensation
6. Provide 1.5%, 2% and 4% tolerance output voltage
7. Provide surface mount D2PAK-3, DPAK-3 and standard 3-lead transistor package
8. NCV prefix used for automobiles and other needs Unique site and control change requirements; AEC-Q100 Qualified and capable of PPAP
9. These are lead-free devices
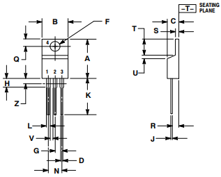
3. Product Size

4. Application information
MC7800 series fixed voltage regulator is Designed with thermal overload protection, can be turned off When the circuit is subjected to excessive power overload Conditions, internal short circuit protection, restrictions The maximum current that the circuit will pass, and the output transistor Safe area compensation to reduce output short circuit The current increases with the voltage across the pass transistor. In many low current applications, compensation No capacitor is needed. But it is recommended If the regulator input is bypassed by a capacitor The voltage stabilizer is connected to the power filter with a long Line length, or if the output load capacitance is large. One The input bypass capacitor should be selected to provide a good High frequency characteristics ensure stable operation Under all load conditions. 0.33 F or greater tantalum, Polyester film or other capacitors with low internal impedance High frequency should be selected. Bypass capacitor The shortest possible lead wire should be used for direct installation Across the regulator input terminal. Usually good Construction technology should minimize the ground The loop and lead resistance drop because the regulator does not Exogenous dominance.