Can ship immediately
Due to market price fluctuations,if you need to purchase or consult the price.You can contact us or emial to us: brenda@hongda-ic.com
1. Description
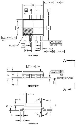
The MCP7940N-I/MS series of low-power Real-Time Clocks (RTC) uses digital timing compensation for an accurate clock/calendar, a programmable output control for versatility, a power sense circuit that automatically switches to the backup supply. Using a low-cost 32.768 kHz crystal, it tracks time using several internal registers. For communication, the MCP7940N uses the I2C™ bus. The clock/calendar automatically adjusts for months with fewer than 31 days, including corrections for leap years. The clock operates in either the 24-hour or 12-hour format with an AM/PM indicator and settable alarm(s) to the second, minute, hour, day of the week, date or month. Using the programmable CLKOUT, frequencies of 32.768, 8.192 and 4.096 kHz and 1 Hz can be generated from the external crystal. The device is fully accessible through the serial interface while VCC is between 1.8V and 5.5V, but can operate down to 1.3V for timekeeping and SRAM retention only. The RTC series of devices are available in the standard 8-lead SOIC, TSSOP, MSOP and 2x3 TDFN packages.
2. Features
1. Real-Time Clock/Calendar (RTCC), Battery Backed:
- Hours, Minutes, Seconds, Day of Week, Day, Month and Year
- Dual alarm with single output
2. On-Chip Digital Trimming/Calibration:
- Range -127 to +127 ppm
- Resolution 1 ppm
3. Programmable Open-Drain Output Control:
- CLKOUT with 4 selectable frequencies
- Alarm output
4. 64 Bytes SRAM, Battery Backed
5. Automatic VCC Switchover to VBAT Backup Supply
6. Power-Fail Time-Stamp for Battery Switchover
7. Low-Power CMOS Technology:
- Dynamic Current: 400 A max read
- Battery Backup Current: <700nA @ 1.8V
8. 100 kHz and 400 kHz Compatibility
9. ESD Protection >4,000V
10. Packages include 8-Lead SOIC, TSSOP, 2x3 TDFN, MSOP
11. Pb-Free and RoHS Compliant
12. Temperature Ranges:
- Industrial (I): -40°C to +85°C
3. PIN DESCRIPTIONS

4. PIN DESCRIPTIONS

5. Package overview
