Can ship immediately
Due to market price fluctuations,if you need to purchase or consult the price.You can contact us or emial to us: brenda@hongda-ic.com
1. Describe
MLX90614ESF-DCC-000-TU is an infrared thermometer for non-contact temperature measurement. Two IR Sensitive thermopile detection chip and signal The conditioning ASSP is integrated in the same TO-39 tank. Thanks to its low noise amplifier, 17-bit ADC and Powerful DSP unit, high precision and high resolution Thermometer implementation. The thermometer has been digitally calibrated when it leaves the factory PWM and SMBus (system management bus) output. As standard, the 10-bit PWM is configured as Continuous transmission of measured temperature The range is -20…120˚C, and the output resolution is 0.14˚C. The factory default POR setting is SMBus.
2. Features
1. Small size, low cost
2. Easy to integrate
3. Factory calibrated in wide temperature range:
-40°C…+125˚C for sensor temperature and
-70°C…+380˚C for object temperature.
4. High accuracy of 0.5°C in a wide temperature range (0°C…+50°C for both Ta and To)
5. High (medical) accuracy calibration
6. Measurement resolution of 0.02°C
7. Single and dual zone versions
8. SMBus compatible digital interface
9. Customizable PWM output for continuous reading
10. Available in 3V and 5V versions
11. Simple adaptation for 8V…16V applications
12. Sleep mode for reduced power consumption
13. Different package options for applications and measurements versatility
14. Automotive grade
3. Application
1. High precision non-contact temperature measurements
2. Thermal Comfort sensor for Mobile Air Conditioning control system
3. Temperature sensing element for residential, commercial and industrial building air conditioning
4. Windshield defogging
5. Automotive blind angle detection
6. Industrial temperature control of moving parts
7. Temperature control in printers and copiers
8. Home appliances with temperature control
9. Healthcare
10. Livestock monitoring
11. Movement detection
12. Multiple zone temperature control – up to 127 sensors can be read via common 2 wires
13. Thermal relay / alert
14. Body temperature measurement
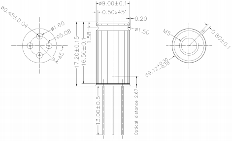
4. Pin configuration

5. Pin description

6. Package overview
