Can ship immediately
Due to market price fluctuations,if you need to purchase or consult the price.You can contact us or emial to us: brenda@hongda-ic.com
1. Describe
MM74HC573WMX high-speed octal D-type latch adopts advanced silicon gate P-well CMOS technology. They have the high noise immunity and low power consumption of standard CMOS integrated circuits, and the ability to drive 15 LS-TTL loads. Due to the large output drive capability and 3-state characteristics, these devices are very suitable for connecting with the bus interface in the bus organization system. When the LATCH ENABLE(LE) input is high, the Q output will follow the D input. When LATCH ENABLE changes to low level, the data at the D input terminal will remain at the output terminal until LATCH ENABLE returns to high level again. When the HIGH logic level is applied to the OUTPUT CONTROL OCinput, all outputs enter the HIGH impedance state, regardless of what signal appears on the other input terminals and the state of the storage element. The 74HC logic series are compatible with the standard 74LS logic series in terms of speed, function and pin arrangement. The internal diode is clamped to VCC and ground to protect all inputs from electrostatic discharge damage
2. Feature
1. Typical propagation delay: 18 ns
2. Wide operating voltage range: 2 to 6 volts
3. Low input current: 1 PA maximum
4. Low quiescent current: up to 80 PA (74HC series)
5. Compatible with bus-oriented systems
6. Output drive capacity: 15 LS-TTL loa
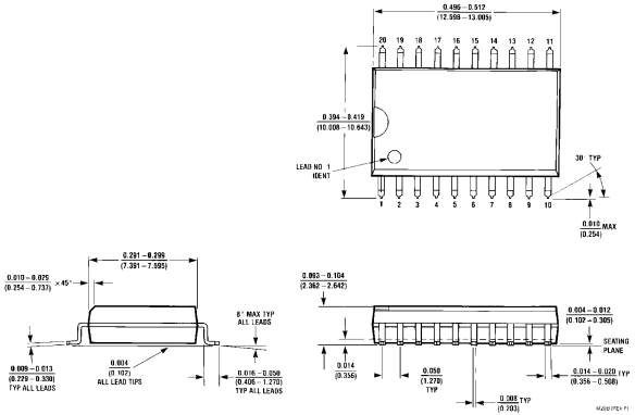
3. Package overview
