Can ship immediately
Due to market price fluctuations,if you need to purchase or consult the price.You can contact us or emial to us: brenda@hongda-ic.com
1. General Information
The MOV-07D560K Series of 7 mm radial leaded varistor devices protects against overvoltage transients such as lightning, power contact and power induction. The metal oxide varistors offer a choice of varistor voltages from
18 V to 820 V and Vrms voltages from 11 V to 510 V. The devices have a high current handling, high energy absorption capability and fast response times to protect against transient faults up to rated limits.
2. Features
1. High voltage rating
2. High current rating
3. Bidirectional
4. Surge protection
5. Fast response time
6. RoHS compliant*
3. Applications
1. Power supplies
2. Power systems
3. Line voltage
4. Telecom systems
5. White goods / appliances
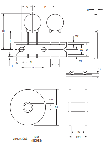
4. Product Dimensions

5. Electrical Characteristics

6. Packaging Information
