Can ship immediately
Due to market price fluctuations,if you need to purchase or consult the price.You can contact us or emial to us: brenda@hongda-ic.com
1. Description
The MT48LC32M16A2TG-75:CTR is a high-speed CMOS, dynamic random-access memory containing 536,870,912 bits. It is internally configured as a quad-bank DRAM with a synchronous interface (all signals are registered on the positive edge of the clock signal, CLK). Each of the x4’s 134,217,728-bit banks is organized as 8192 rows by 4096 columns by 4 bits. Each of the x8’s 134,217,728-bit banks is organized as 8192 rows by 2048 columns by 8 bits. Each of the x16’s 134,217,728-bit banks is organized as 8192 rows by 1024 columns by 16 bits. Read and write accesses to the SDRAM are burst-oriented; accesses start at a selected location and continue for a programmed number of locations in a programmed sequence. Accesses begin with the registration of an ACTIVE command, which is then followed by a READ or WRITE command. The address bits registered coincident with the ACTIVE command are used to select the bank and row to be accessed (BA[1:0] select the bank; A[12:0] select the row). The address bits registered coincident with the READ or WRITE command are used to select the starting column location for the burst access. The SDRAM provides for programmable read or write burst lengths (BL) of 1, 2, 4, or 8 locations, or the full page, with a burst terminate option. An auto precharge function may be enabled to provide a self-timed row precharge that is initiated at the end of the burst sequence. The 512Mb SDRAM uses an internal pipelined architecture to achieve high-speed operation. This architecture is compatible with the 2n rule of prefetch architectures, but it also allows the column address to be changed on every clock cycle to achieve a highspeed, fully random access. Precharging one bank while accessing one of the other three banks will hide the PRECHARGE cycles and provide seamless, high-speed, random-access operation. The 512Mb SDRAM is designed to operate in 3.3V memory systems. An auto refresh mode is provided, along with a power-saving, power-down mode. All inputs and outputs are LVTTL-compatible. SDRAMs offer substantial advances in DRAM operating performance, including the ability to synchronously burst data at a high data rate with automatic column-address generation, the ability to interleave between internal banks to hide precharge time, and the capability to randomly change column addresses on each clock cycle during a burst access.
2. Features
1. PC100- and PC133-compliant
2. Fully synchronous; all signals registered on positive edge of system clock
3. Internal, pipelined operation; column address can be changed every clock cycle
4. Internal banks for hiding row access/precharge
5. Programmable burst lengths: 1, 2, 4, 8, or full page
6. Auto precharge, includes concurrent auto precharge and auto refresh modes
7. Self refresh mode
8. Auto refresh
– 64ms, 8192-cycle refresh (commercial and industrial)
9. LVTTL-compatible inputs and outputs
10. Single 3.3V ±0.3V power supply
3. Pin configuration

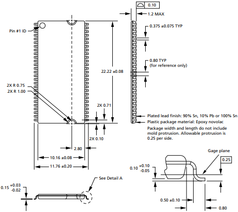
4. Package Dimensions
