Can ship immediately
Due to market price fluctuations,if you need to purchase or consult the price.You can contact us or emial to us: brenda@hongda-ic.com
1. Description
NCV8403ASTT1G is a low-side intelligent discrete device with three-terminal protection equipment. Protection functions include overcurrent, overheating, ESD and an integrated drain-to-gate clamp circuit provide overvoltage protection. The device provides protection and is suitable for harsh cars surroundings.
2. Feature
1. Short circuit protection
2. Thermal shutdown with automatic restart function
3. Overvoltage protection
4. Integrated clamp for inductive switching
5. Static Protection
6. DV/dt robustness
7. Analog drive capability (logic level input)
8. NCV prefix suitable for automotive and other applications The only site and control change requirements; AEC-Q100 Qualified and capable of PPAP
9. These devices are lead-free, halogen-free/brominated flame retardants, and meet RoHS requirements Compliance
3. Typical application
1. Switch various resistance, inductance and capacitive loads
2. Can replace electromechanical relays and discrete circuits
3. auto industry
4. Pin description

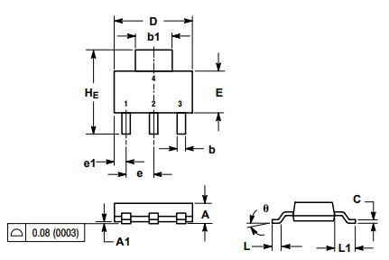
5. PACKAGE DIMENSIONS
