Can ship immediately
Due to market price fluctuations,if you need to purchase or consult the price.You can contact us or emial to us: brenda@hongda-ic.com
1. Description
ElectroStatic Discharge (ESD) protection diode in a very small SOT323 (SC-70 ) Surface-Mounted Device (SMD) plastic package designed to protect two automotive Controller Area Network (CAN) bus lines from the damage caused by ESD and other transients.
2. Features and benefits
1. One very small SOT323 package to protect two CAN bus lines
2. Low clamping voltage VCL = 35 V at IPP =1A
3. Typical diode capacitance matching ΔCd/Cd = 0.1 %
4. ESD protection up to 23 kV; IEC 61000-4-2, level 4
5. IEC 61000-4-5 (surge); IPPM = 3 A at tp = 8/20 µs
6. AEC-Q101 qualified
3. Applications
1. CAN bus protection
2. Automotive applications
4. Pinning information

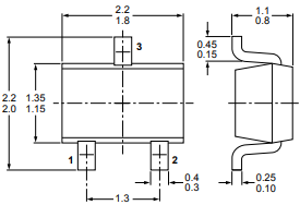
5. Package outline
