Can ship immediately
Due to market price fluctuations,if you need to purchase or consult the price.You can contact us or emial to us: brenda@hongda-ic.com
1. Describe
These devices expand the RS-485 product portfolio Full-duplex transceiver series with powerful 3.3V voltage Drivers and receivers and high levels of ESD protect. ESD protection includes> ±30-kV HBM and> ±12-kV IEC61000-4-2 contact discharge. Large receiver hysteresis of SN65HVD73DR The device provides immunity to conducted differentials Noise and wide operating temperature make Reliability in harsh working environments. this SN65HVD7x devices use standard SOIC Package and small size MSOP pack. These devices combine differential drivers and Differential receiver, from single operation 3.3V power supply. Every driver and receiver has Independent input and output pins for full-duplex bus Communication design. These devices have Wide common-mode voltage range makes Suitable for equipment for long-term multi-point applications The cable runs. SN65HVD71, SN65HVD74 and SN65HVD77 The device is fully activated, no external activation is required Pins. SN65HVD70, SN65HVD73 and SN65HVD76 The device has an active-high driver enable and an active-low receiver enable. Low standby current less than 5µA Current can be achieved by disabling both drivers And receiver. The characteristics of these devices range from –40°C to 125°C.
2. Feature
1. 1/8 unit load option available
– Up to 256 nodes on the bus
2. Bus I/O protection
– > ±30-kV HBM protection
– > ±12-kV IEC61000-4-2 contact discharge
– > ±4-kV IEC61000-4-4 fast transient burst
3. Extend the industrial temperature range: - 40°C to 125°C
4. Large receiver hysteresis (70 mV) noise Refuse
5. Low power consumption
– <1.1-mA Quiescent current during operation
– Low standby supply current: 10 nA typical, <5 µA (maximum)
6. Glitch-free power-on and power-off protection For hot-swappable applications
7. 5V Tolerant logic input compatible with 3.3V or 5V controller
8. Optimized signaling rate options: 400 kbps (70, 71), 20 Mbps (73, 74), 50 Mbps (76, 77)
3. Applications
1. E-meters
2. Industrial automation
3. Building automation
4. Security and surveillance
5. Encoders and decoders
4. Pin Configuration

5. Pin Functions

6. Feature Description
Internal ESD protection circuits protect the transceiver against Electrostatic Discharges (ESD) according to IEC61000-4-2 of up to ±12 kV, and against electrical fast transients (EFT) according to IEC61000-4-4 of up to ±4 kV. The SN65HVD7x full-duplex family provides internal biasing of the receiver input thresholds in combination with large input-threshold hysteresis. At a positive input threshold of VIT+ = –20 mV and an input hysteresis of Vhys = 40 mV, the receiver output remains logic high under a bus-idle or bus-short condition even in the presence of 120 mVPP differential noise without the need for external failsafe biasing resistors. Device operation is specified over a wide temperature range from –40°C to 125°C.
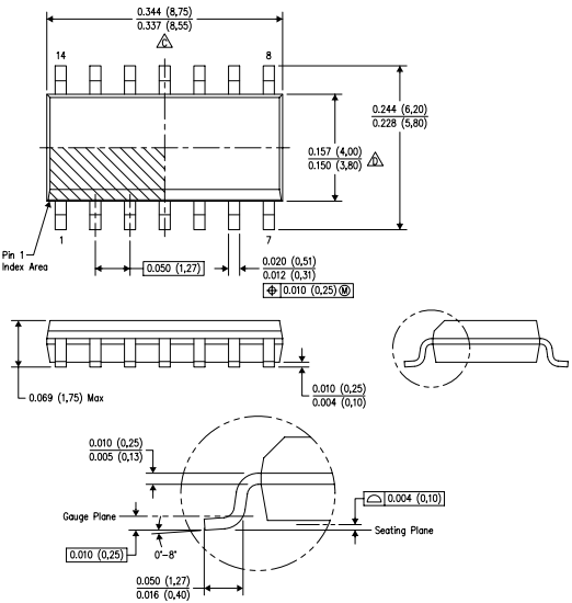
7. Package overview
