Can ship immediately
Due to market price fluctuations,if you need to purchase or consult the price.You can contact us or emial to us: brenda@hongda-ic.com
1. DESCRIPTION
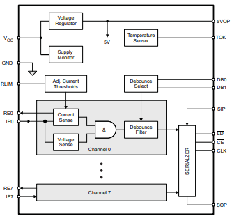
The SN65HVS882PWPR is an eight channel, digital-input serializer for high-channel density digital input modules in industrial automation. In combination with galvanic isolators the device completes the interface between the high voltage signals on the field-side and the low-voltage signals on the controller side. Input signals are current-limited and then validated by internal debounce filters. With the addition of a few external components, the input switching characteristics can be configured in accordance with IEC61131-2 for Type 1, 2, and 3 sensor switches. Upon the application of load and clock signals, input data is latched in parallel into the shift register and
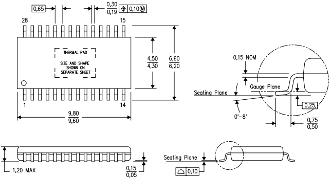
afterwards clocked out serially. Cascading of multiple devices is possible by connecting the serial output of the leading device with the serial input of the following device, enabling the design of high-channel count input modules. Multiple devices can be cascaded through a single serial port, reducing both the isolation channels and controller inputs required. Input status can be visually indicated via constant current LED outputs. The current limit on the inputs is set by a single external precision resistor. An integrated voltage regulator provides a 5-V output to supply low-power isolators. An on-chip temperature sensor provides diagnostic information for graceful shutdown and system safety. The SN65HVS882PWPR is available in a 28-pin PWP PowerPAD™ package, allowing for efficient heat dissipation. The device is characterized for operation at temperatures from -40°C to 125°C.
2. FEATURES
1. Eight Inputs
– High Input Voltage – up to 34 V
– Selectable Debounce Filters – 0 ms to 3 ms
– Flexible Input Current Limit – 0.2 mA to 5.2 mA
– Field Pins Protected to 15-kV HBM ESD
2. Output Drivers for External Status LEDs
3. Cascadable in Multiples of Eight Inputs
4. SPI-Compatible Interface
5. Regulated 5-V Output for External Isolator
6. Over-Temperature Indicator
3. APPLICATIONS
1. Sensor Inputs for Industrial Automation and Process Control
2. High Channel Count Digital Input Modules for PC and PLC Systems
3. Decentralized I/O Modules
4. Motion Control Systems
4. Pin description


5. FUNCTIONAL BLOCK DIAGRAM

6. package instruction
