Can ship immediately
Due to market price fluctuations,if you need to purchase or consult the price.You can contact us or emial to us: brenda@hongda-ic.com
1. Description
These hexadecimal buffers and line drivers are designed as Especially to improve performance and Density of tri-state memory address drive, clock Drivers and bus-oriented receivers and launcher. 'HC365 device contains six Independent buffer/driver with dual gate control Output enable (OE1 and OE2) input. When OE1 And OE2 are both low, the device passes Input from A to Y output. If either (or both) output is enabled The terminal is high level, and the output is at High impedance state.
2. Feature
1. Wide Operating Voltage Range of 2 V to 6 V
2. High-Current 3-State Outputs Drive Bus Lines, Buffer-Memory Address Registers, or Drive Up To 15 LSTTL Loads
3. True Outputs
4. Low Power Consumption, 80-µA Max ICC
5. Typical tpd = 10 ns
6. ±6-mA Output Drive at 5 V
7. Low Input Current of 1 µA Max
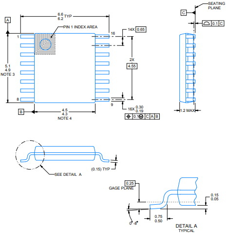
3. PACKAGE OUTLINE
