Can ship immediately
Description
The TPS3307-33DGNR series is a series of micro-supply voltage monitors designed for circuit initialization and are mainly used in DSP and processor-based systems that require multiple supply voltages. The product range of TPS3307-33DGNR is designed to monitor three independent power supply voltages: 3.3V / 1.8V / adj, 3.3V / 2.5V / adj or 3.3V / 5V / adj adjustable SENSE input allows monitoring any power supply voltage> 1.25V. Various power supply voltage monitors are designed to monitor the nominal power supply voltage and follow the power supply voltage monitoring table. During power-up, when the power supply voltage VDD is higher than 1.1V, RESET is asserted. after that, The power supply voltage monitor monitors the SENSEn input and keeps RESET active while SENSEn remains unchanged below the threshold voltage VIT +. The internal timer delays the time for the RESET output to return to an inactive state (high level) to ensure normal system operation and restart. The delay time, t d (typical value) = 200ms, starts after all SENSEn inputs rise above the threshold voltage VIT +. When the voltage on any SENSE input drops below the threshold voltage VIT–, the RESET output becomes active again (low). TPS3307-33DGNR series devices include a manual reset input MR. MR low level will cause RESET Become active. In addition to the low-level active RESET output, the TPS3307-33DGNR series also includes a high-level active pin. RESET output. The device is available in 8-pin MSOP or standard 8-pin SO package. The TPS3307-33DGNR device has a rated operating temperature range of –40°C to +85°C.
FEATURES
1. Triple Supervisory Circuits for DSP and Processor-Based Systems
2. Power-On Reset Generator With Fixed Delay Time of 200ms, No External Capacitor Needed
3. Temperature-Compensated Voltage Reference
4. Maximum Supply Current of 40µA
5. Supply Voltage Range: 2V to 6V
6. Defined RESET Output From VDD ≥ 1.1V
7. MSOP-8 and SO-8 Packages
8. Temperature Range : – 40°C to +85°C
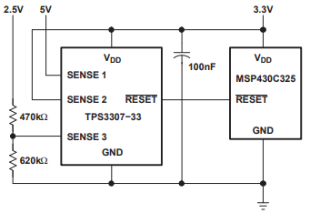
typical application
Some typical applications of TPS3307 series, and schematic diagrams of processor-based system applications. This application uses TI part numbers TPS3307-33 and MSP430C325.
1. Applications using DSP Microcontroller or microprocessor
2. Industrial equipment
3. Programmable control
4. Car system
5. Portable/battery powered equipment
6. Smart instrument
7. Wireless communication system
8. Notebook/desktop computer

Applications Using the TPS3307 Family
TAPE AND REEL INFORMATION
