Can ship immediately
Due to market price fluctuations,if you need to purchase or consult the price.You can contact us or emial to us: brenda@hongda-ic.com
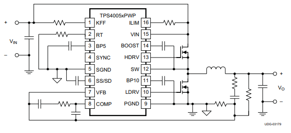
1. Description
The TPS4005x is a family of high-voltage, wide-input (8 V to 40 V), synchronous, step-down controllers.
The TPS4005x family offers design flexibility with a variety of user-programmable functions, including soft-start, UVLO, operating frequency, voltage feed-forward, high-side current limit, and loop compensation.
The TPS4005x uses voltage feed-forward control techniques to provide good line regulation over the wide (4:1) input voltage range, and fast response to input line transients. Near-constant modulator gain with input variation eases loop compensation. The externally programmable current limit provides pulse by-pulse current limit, as well as hiccup mode operation using an internal fault counter for longer duration overloads.
2. Features
1. Operating Input Voltage 8 V to 40 V
2. Input Voltage Feed-Forward Compensation
3. < 1% Internal 0.7-V Reference
4. Programmable Fixed-Frequency up to 1-MHz Voltage Mode Controller
5. Internal Gate-Drive Outputs for High-Side and Synchronous N-Channel MOSFETs
6. 16-Pin PowerPAD™ Package (θJC = 2°C/W)
7. Thermal Shutdown
8. Externally Synchronizable
9. Programmable High-Side Sense Short-Circuit Protection
10. Programmable Closed-Loop Soft-Start
11. TPS40054 Source Only
12. TPS40055 Source and Sink
13. TPS40057 Source and Sink With VO Prebias
3. Applications
1. Power Modules
2. Networking and Telecom
3. Industrial and Servers

4. Pin Configuration
