Can ship immediately
Due to market price fluctuations,if you need to purchase or consult the price.You can contact us or emial to us: brenda@hongda-ic.com
1. Description
The TPS54260DRCR device is a 60-V, 2.5-A, step-down regulator with an integrated high-side MOSFET. Current mode control provides simple external compensation and flexible component selection. A low-ripple, pulse skip mode reduces the no load, regulated output supply current to 138 μA. Using the enable pin, shutdown supply current is reduced to 1.3 μA, when the enable pin is low. Undervoltage lockout (UVLO) is internally set at 2.5 V, but can be increased using the enable pin. The output voltage startup ramp is controlled by the slowstart pin that can also be configured for sequencing and tracking. An open-drain powergood signal indicates the output is within 94% to 107% of its nominal voltage. A wide switching frequency range allows efficiency and external component size to be optimized. Frequency foldback and thermal shutdown protects the part during an overload condition. The TPS54260 is available in 10-pin thermally enhanced MSOP and 10-pin 3-mm × 3-mm SON PowerPAD packages.
2. Features
1. 3.5-V to 60-V Input Voltage Range
2. 200-mΩ High-Side MOSFET
3. High Efficiency at Light Loads With a PulseSkipping Eco-mode™
4. 138-μA Operating Quiescent Current
5. 1.3-μA Shutdown Current
6. 100-kHz to 2.5-MHz Switching Frequency
7. Synchronizes to External Clock
8. Adjustable Slow Start and Sequencing
9. UV and OV Powergood Output
10. Adjustable UVLO Voltage and Hysteresis
11. 0.8-V Internal Voltage Reference
12. 10-Pin MSOP and 10-Pin 3-mm × 3-mm VSON With PowerPAD™ Packages
13. Create a Custom Design Using the TPS54260 With WEBENCH® Power Designer
3. Applications
1. 12-V, 24-V and 48-V Industrial and Commercial Low-Power Systems
2. GSM, GPRS Modules in Fleet Management, EMeters, and Security Systems
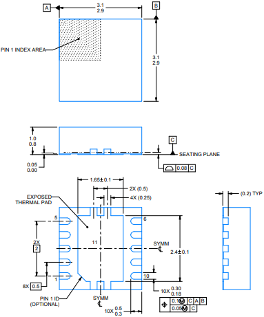
4. Pin Configuration

5. Pin Functions

6. PACKAGE OUTLINE
