Can ship immediately
Due to market price fluctuations,if you need to purchase or consult the price.You can contact us or emial to us: brenda@hongda-ic.com
1. DESCRIPTION
The UCC3750DW Source Ringer Controller provides a complete control and drive solution for a four quadrant flyback-based ring generator circuit. The IC controls a primary side switch, which is modulated when power transfer is taking place from input to output. It also controls two secondary switches which act as synchronous rectifier switches during positive power flow. These switches are pulse-width-modulated when the power is being delivered back to the source. The UCC3750 has an onboard sine wave reference with programmable frequencies of 20Hz, 25Hz and 50Hz. The reference is derived from a high-frequency (32kHz) crystal connected externally. Two frequency-select pins control an internal divider to give a sinusoidal output at 20Hz, 25Hz or 50Hz. The ring generator can also be used at other frequencies by supplying externally generated sine-waves to the chip or by clocking the crystal input at a fixed multiple of the desired frequency. Other features included in the UCC3750 are programmable DC current limit (with buffer amplifier), a charge-pump circuit for gate drive voltage, internal 3V and 7.5V references, a triangular clock oscillator and a buffer amplifier for adding programmable DC offset to the output voltage. The UCC3750 also provides an uncommitted amplifier (AMP) for other signal processing requirements.
2. FEATURES
1. Provides Control for Flyback Based Four Quadrant Amplifier Topology
2. Onboard Sine Wave Reference with Low THD
3. Selectable Ringing Frequency for Different Phone Systems (20Hz, 25Hz and 50Hz)
4. Programmable Output Amplitude and DC Offset
5. DC Current Limiting for Short Circuit Protection
6. Secondary Side Voltage Mode Control
7. Operates from a Single 5V Supply
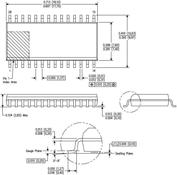
3. Pin configuration

4. Application information
UCC3750 provides complete control and protection Function for four-quadrant flyback converter Generates a ring signal for the telephone circuit. The flyback converter uses a DC input (usually 48V) and provides an isolated output with a programmable frequency (and amplitude) AC signal Superimposed on the programmable DC offset. power The path consists of the primary side PWM switch Q1, the primary Reflux rectifier DR1, 4-winding transformer T1, output Rectifiers DR2 and DR3, synchronous/PWM switch Q2 And Q3, and the output filter CF. Resistance RSENSE provides The output current detection of the protection circuit. The different working modes of the converter are described. Output voltage and current Waveform of pure capacitive load and identify Four operating modes. PWM waveform For the circuit, the equivalent circuit in working mode. Q2 and Q3 join And primary diodes facilitate true four-quadrant operation The output voltage and power transmission can be Two-way. Mode 1 is similar to the commonly used DC-DC converter operation, where Q1 is modulated as PWM signal and rectification pass The Q2, DR2 path provides proportional to Increased positive reference voltage. this Pulse width is controlled by error amplifier output Increase or decrease the output according to the reference. The maximum duty cycle is limited to 50% to prevent DR1 from turning on before Q2/DR2. In mode 2, the reference starts to drop and power needs to be transferred back to the input. for this Mode, switch Q3 needs to be modulated, and DR1 acts As a rectifier return input. UCC3750 has Mode decoding circuit, can automatically guide PWM signal to Q3 and turn off Q1.
5. Package overview
