Can ship immediately
Due to market price fluctuations,if you need to purchase or consult the price.You can contact us or emial to us: brenda@hongda-ic.com
1. DESCRIPTION
The VS-10MQ060HM3/5AT surface mount Schottky rectifier has been designed for applications requiring low forward drop and very small foot prints on PC boards. Typical applications are in disk drives, switching power supplies, converters, freewheeling diodes, battery charging, and reverse battery protection.

2. FEATURES
1. Low forward voltage drop
2. Guard ring for enhanced ruggedness and long term reliability
3. Small footprint, surface mountable
4. High frequency operation
5. Meets MSL level 1, per J-STD-020, LF maximum peak of 260 °C
6. Meets JESD 201 class 2 whisker test
7. AEC-Q101 qualified
8. Material categorization: for definitions of compliance

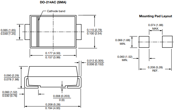
3. DIMENSIONS

hot deals
SN75176BPE4 TLV75533PDBVR C8051F061-GQR