Can ship immediately
Due to market price fluctuations,if you need to purchase or consult the price.You can contact us or emial to us: brenda@hongda-ic.com
1. Description
The 2016L Series PTC provides surface mount overcurrent protection for low voltage (≤60V) applications where resettable protection is desired.
2. Features
1. RoHS compliant, lead-free and halogen-free
2. Fast response to fault currents
3. High voltage
4. Low-profile
3. Applications
1. IEEE 1394 port protection
2. Powered ethernet port protection (IEEE 802.3 af)
3. Automotive electronic control module protection
4. Low voltage telecom equipment protection
4. Electrical Characteristics

5. Dimensions

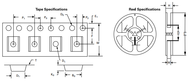
6. Tape and Reel Diagram
