Can ship immediately
Due to market price fluctuations,if you need to purchase or consult the price.You can contact us or emial to us: brenda@hongda-ic.com
1. Description
The 2N2222AHR is a silicon planar NPN transistor specifically designed and housed in hermetic packages for aerospace and Hi-Rel applications. It is available in the JAN qualification system (MIL-PRF19500 compliance) and in the ESCC qualification system (ESCC 5000 compliance). In case of discrepancies between this datasheet and the relevant agency specification, the latter takes precedence.
2. Features
1. Hermetic packages
2. ESCC and JANS qualified
3. Up to 100 krad(Si) low dose ratee

3. Electrical characteristics

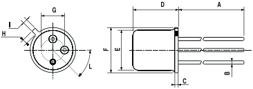
4. Package overview
